Hydraulic Valves
FLD Flow Divider Valve

It is used to form a complete set of model BZZ steering control units. Under such conditions of variety oil volume or/and different pressure in steering system, model FLD can provide constant flow for the steering unit so as to meet the requirement of hydraulic steering performance of vehicle. It can not only control steering system, but also help pump to divide flow so that to reduce cost and simplify system design.
Order Code:
FLD | — | F | 囗 | 囗 | — | 囗 | 囗 |
① | ② | ③ | ④ | ⑤ | ⑥ |
②: Max. Input pressure 20MPa;
③: Rated flow;
④: No mark: dividing flow;
H: Constant flow;
W: Non-relief valve dividing flow;
⑤: Relief Valve Pressure Settings;
⑥: Ports Code.
Function Code:
Dividing flow |
Constant flow |
Non-relief valve |
Main Specifications:
| Type | Rated Flow (L/min) | Max. input flow (L/min) | Max. input pressure (MPa) | Adjusting pressure range (MPa) | Variation of flow (%) | Fit with steering unit |
| FLD–F4 * | 4 | 45 | 20 | 6.3~16 | 15 | BZZ1–E50 |
| FLD–F5 * | 5 | BZZ1–E63 | ||||
| FLD–F6 * | 6 | BZZ1–E80 | ||||
| FLD–F7.5 * | 7.5 | BZZ1–E100 | ||||
| FLD–F9.5 * | 9.5 | BZZ1–E125 | ||||
| FLD–F12 * | 12 | BZZ1–E160 | ||||
| FLD–F15 * | 15 | BZZ1–E200 | ||||
| FLD–F19 * | 19 | 60 | 20 | BZZ1–E250 | ||
| FLD–F21 * | 21 | 75 | BZZ1–E280 | |||
| FLD–F24 * | 24 | 75 | BZZ1–E315 | |||
| FLD–F30 * | 30 | 90 | BZZ1–E400 | |||
| FLD–F38 * | 38 | 120 | BZZ1–E500 | |||
| FLD–F48 * | 48 | BZZ1–E630 | ||||
| FLD–F60 * | 60 | 200 | BZZ1–E800 | |||
| FLD–F75 * | 75 | BZZ1–E1000 |
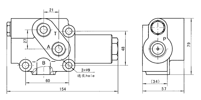
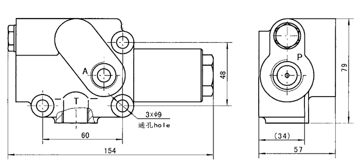
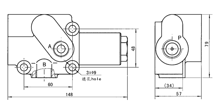
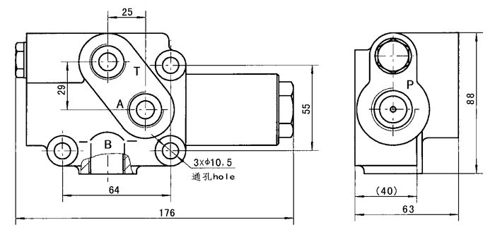
Mounting Data:
FLD–F4~15:
FLD–F4~15H:
FLD–F4~15W:
FLD–F19~30:
FLD–F19~30H:
FLD–F19~30W:
FLD–F38~75W:
Port threads:
FLD4~15
FLD4~15H
FLD4~15W:
| Code | port P | ports A,(B),(T) |
| omit | M24×1.5 Depth16 | M20×1.5 Depth16 |
| D | M24×1.5 O-ring Depth16 | M20×1.5 O-ring Depth16 |
| C | 7/8-14UNF O-ring Depth16 | 3/4-16UNF O-ring Depth16 |
FLD19~30
FLD19~30H
FLD19~30W:
| Code | port P | ports A,(B),(T) |
| omit | M27×1.5 Depth16 | M24×1.5 Depth16 |
| D | M27×1.5 O-ring Depth16 | M24×1.5 O-ring Depth16 |
| C | 1 1/16-16UN O-ring Depth16 | 7/8-14UNF O-ring Depth16 |
FLD38~75W:
| Code | port P | ports A,(B),(T) |
| omit | M27×1.5 Depth16 | M27×1.5 Depth16 |
| D | M27×1.5 O-ring Depth16 | M27×1.5 O-ring Depth16 |
| C | 1 1/16-16UN O-ring Depth16 | 1 1/16-16UN O-ring Depth16 |
YXL Priority Valve

The priority valve is used with model BZZ5 load sensing steering control unit or with model TLF1 coaxial flow amplifying steering unit, to form a load sensing power steering system, provides metered priority flow to the SCU.
Order Code:
囗 | YXL | — | F | 囗 | 囗 | — | 囗 | 囗 | 囗 | — | 囗 |
① | ② | ③ | ④ | ⑤ | ⑥ | ⑦ | ⑧ | ⑨ |
②: Priority valve;
③: Max. Input pressure 20MPa;
④: Max. Input flow;
⑤: L: Thread connection; F: Flange connection;
⑥: Relief Valve Pressure Settings;
⑦: N: Internal control; W: Outer control;
⑧: Control pressure;
⑨: Ports Code.
Function Code:
Dynamic Signal |
Static Signal |
Main Specifications:
| Type | Control pressure (bar) | Max. input flow (L/min) | Max. input pressure (MPa) | Relief valve pressure range (MPa) |
| 囗YXL–F40L–囗囗4.5-囗 | 4.5 | 40 | 20 | 6.3~17.5 adjusted by customer's requirement |
| 囗YXL–F40L–囗囗7-囗 | 7 | 40 | ||
| 囗YXL–F40L–囗囗10.5-囗 | 10.5 | 40 | ||
| 囗YXL–F80L–囗囗4.5-囗 | 4.5 | 80 | ||
| 囗YXL–F80L–囗囗7-囗 | 7 | 80 | ||
| 囗YXL–F80L–囗囗10.5-囗 | 10.5 | 80 | ||
| 囗YXL–F160L–囗囗4.5-囗 | 4.5 | 160 | ||
| 囗YXL–F160L–囗囗7-囗 | 7 | 160 | ||
| 囗YXL–F160L–囗囗10.5-囗 | 10.5 | 160 | ||
| 囗YXL–F250囗–囗囗7-囗 | 7 | 250 | ||
| 囗YXL–F250囗–囗囗10.5-囗 | 10.5 | 250 |
Mounting Data:
YXL–F40L
DYXL-F40L
YXL-F80L
DYXL-F80L:
| Code | Ports P,EF | Port CF | Ports Ls,T | |||
| Thread | Depth (mm) | Thread | Depth (mm) | Thread | Depth (mm) | |
| A | M22x1.5 | 16 | M18x1.5 | 16 | M12x1.5 | 14 |
| B | G1/2 | G3/8 | G1/4 | |||
| C | 7/8-14UNF O-ring | 3/4-16UNF O-ring | 7/16-20UNF O-ring | |||
| D | M22x1.5 O-ring | M18x1.5 O-ring | M12x1.5 O-ring | |||
| E | G1/2 O-ring | G3/8 O-ring | G1/4 O-ring | |||
YXL–F160L:

| Code | Ports P,EF | Port CF | Ports Ls,T | |||
| Thread | Depth (mm) | Thread | Depth (mm) | Thread | Depth (mm) | |
| A | M27x2 | 22 | M22x1.5 | 18 | M12x1.5 | 14 |
| B | G3/4 | G1/2 | G1/4 | |||
| C | 1 1/16-12UN O-ring | 3/4-16UNF O-ring | 7/16-20UNF O-ring | |||
| D | M27x2 O-ring | M22x1.5 O-ring | M12x1.5 O-ring | |||
| E | G3/4 O-ring | G1/2 O-ring | G1/4 O-ring | |||
DYXL-F160L:

| Code | Ports P,EF | Port CF | Ports Ls,T | |||
| Thread | Depth (mm) | Thread | Depth (mm) | Thread | Depth (mm) | |
| A | M27x2 | 22 | M22x1.5 | 18 | M12x1.5 | 14 |
| B | G3/4 | G1/2 | G1/4 | |||
| C | 1 1/16-12UN O-ring | 3/4-16UNF O-ring | 7/16-20UNF O-ring | |||
| D | M27x2 O-ring | M22x1.5 O-ring | M12x1.5 O-ring | |||
| E | G3/4 O-ring | G1/2 O-ring | G1/4 O-ring | |||
YXL–F250F
DYXL–F250F:

| Code | Ports P,EF | Port CF | Ports LS,T | ||
| Aperture Size | Thread | Depth (mm) | Thread | Depth (mm) | |
| A | Ф 28 | M33×2 | 22 | M12×1.5 | 14 |
| D | Ф 28 | M33×2 O-ring | 22 | M12×1.5 O-ring | 14 |
YXL–F250L
DYXL–F250L:

| Code | Ports P,EF | Port CF | Ports LS,T | |||
| Thread | Depth(mm) | Thread | Depth(mm) | Thread | Depth(mm) | |
| A | M42×2 | 22 | M33×2 | 22 | M12×1.5 | 14 |
| D | M42×2 O-ring | 22 | M33×2 O-ring | 22 | M12×1.5 O-ring | 14 |
FK Combinatory Valve Blocks

FKA/FKB/FKC/FKAR/FKBR crossover relief valves and model FKA2/FKB2/FKC2 cushion crossover anticavitation relief valves. Being a combinatory valve, it can bolt directly to the port face of model BZZ steering unit to form a complete set, contains dual shockproof valves to protect the steering unit, hoses and steering cylinder form excessive system pressure due to sudden shock forces at the vehicle wheels and prevent such forces from being transmitted to the steering wheel, it also contains suction valves to help prevent cavitation at the low pressure side of the cylinder, an inlet check valve prevents reversed flow load circuit, a relief valve is the protection of the pump.
Order Code:
| FK | 囗 | 囗 | — | 囗 | 囗 | 囗 | 囗 |
| ① | ② | ③ | ④ | ⑤ | ⑥ | ⑦ |
②:
AR: Contains inlet check valve, relief valve, shock valves and suction valves;
A: Contains inlet check valve, relief valve and shock valves;
BR: Contains inlet check valve, shock valves and suction valves;
B: Contains inlet check valve and shock valves;
C: Contains inlet check valve and relief valve;
③:
No mark: crossover relief valve;
2: Cushion crossover anticavitation relief valve;
④: Relief Valve Pressure Settings;
⑤: Flow;
⑥: Shook Valves Pressure Settings;
⑦: Ports Code.
Function Code:
|
|
|
|
|
Main Specifications:
| Type | Rated flow (L/min) | Inlet check valve open pressure (MPa) | Relief valve pressure range (MPa) | Shock valves pressure range (MPa) | Suction valves open pressure (MPa) |
| FKAR | 30/60 | 0.1 | 2.5 ~16 | 6.3 ~22 | 0.05 |
| FKA | ---- | ||||
| FKA2 | ---- | ||||
| FKBR | 30 | 6.3 ~22 | 0.05 | ||
| FKB | ---- | ||||
| FKB2 | ---- | ||||
| FKC | 30/60 | 2.5 ~16 | ---- | ||
| FKC2 |
Mounting Data:
Port threads:
| Type | Code | Ports P,T,A,B |
| FK Type Valves | omit | M20×1.5 |
| A | M18×1.5 | |
| B | G1/2 | |
| C | 3/4-16UNF O-ring | |
| D | M20×1.5 O-ring | |
| E | M18×1.5 O-ring | |
| R | P,T:M20×1.5 | |
| A,B:M18×1.5 | ||
| S | P,T:M20×1.5 O-ring | |
| A,B:M18×1.5 O-ring | ||
| G | M22×1.5 | |
| Q | M22×1.5 O-ring | |
| U | G1/2 O-ring | |
| FK Type Parallel Port Valves | omit | M18×1.5 |
| A | M20×1.5 | |
| B | G1/2 | |
| C | 3/4-16UNF O-ring | |
| D | M20×1.5 O-ring | |
| E | M18×1.5 O-ring | |
| U | G1/2 O-ring |











