Torque Amplifiers
BNF Torque Amplifiers

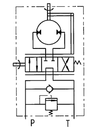
BNF torque amplifier is one of the hydraulic element, which can get high output torque with low input torque. It contains a distributor valve, Gerotor gear set, and a pressure relief valve with the features of comfortable operation, compact volume and easy installation. It can be used in the fields of wheeled vehicle, large manual gate as well as other machineries required high torque. Distributor valve is open center and the power stream fluid circulates through the unit back to the tank at very low pressure when the system is not being steered. When the steering wheel is turned, fluid is led from the steering system pump via the distributor valve to the hydraulic energy (pressure, oil flow) into mechanical energy (torque, speed). The speed is controlled by the rate of rotation of the steering wheel. The torque on the output shaft is the sum of the manual input torque and the torque from the Gerotor gear set. When the steering wheel is stopped rotating, the distributor valve cuts off the fluid to the Gerotor gear set, and torque amplification is stopped.
Order Code:
BNF—囗
① ②
①: Cycloid Rotary Valve Torque amplifiers;
②: Displacement.
Function Code:
|
|
Main Specifications:
| Displacement (mL/r) | Input torque (N·m) | Output torque (N·m) | Relief valve pressure settings (MPa) | Rated flow (L/min) | Max. speed (rpm) | Max. output torque (N·m) | Max.back pressure (MPa) | Length | ||
| L1 | L2 | L | ||||||||
| 80 | 3~5 | 70 | 6.3~12.5 | 10 | 125 | 150 | 0.5 | 125 | 78.5 | 249.5 |
| 100 | 85 | 10 | 100 | 127.5 | 81 | 252 | ||||
| 125 | 100 | 12 | 100 | 130.5 | 84 | 255 | ||||
| 160 | 120 | 16 | 100 | 135.5 | 89 | 260 | ||||
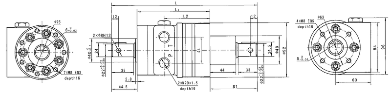
Mounting Data:



