Flow Control Valves
YMC-1 FOLLOWUP ADJUSTABLE VALVES

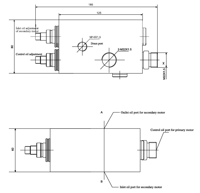
YMC-I series followup adjustable valves are used to control the tangle of linear object, for example, the valve maintains the linearly tension consistency of lines being winded on or let out from a reel and balance the linear velocity of both rotary mechanisms installed on the different terminals, so that to prevent linear object breaking and entangling when the rotary mechanisms at different ends start running, or from twisting on the wheels when stopped simultaneously. It is the better choice for equipments with linear movement. The Max operation pressure of the valve is 250Mpa, flow up to 120L/min, with threaded connections, it may be specified if subplate from mounting needed.
YMC Operating drawing:

FH TYPE COUNTERBALANCE VALVES

FH type counterbalance valve is mainly used in hydraulic systems of crane. It will keep the speed of hydraulic motors and cylinders steadily without any influence came of loading changes, it is mounted check valves in good seal. The valve will prevent heavy goods from falling down abruptly when a pipe is damaged or a brake is out of control. The hydraulic oil will return through bypass pipelines.

Technical data:
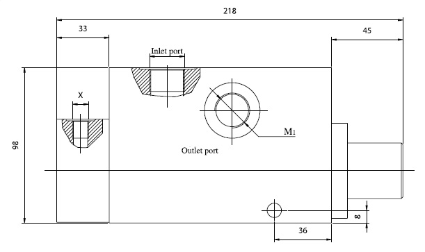
FH Dimensions:
2MRB SERIES FLOWS CONTROL VALVES

2MRB series flow control valves are restrictive style flow regulators, without affected by pressure and temperature.

Technical data:
2MRB installation dimensions:
FV/FRV SERIES THROTTLE VALVES/THROTTLE CHECK VALVES

FV/FRV FVP/FRVP series throttle check valves are used to regulate the speed of actuators simply and precisely.

Technical data:
FV/FRV Installation Dimensions::
FVP/FRVP Installation Dimensions:
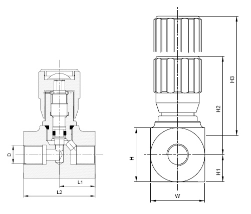
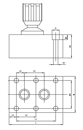
FG THROTTLE VALVES/FK THROTTLE CHECK VALVES

FG/FK series throttle/throttle check valves mounted on the oil pipe lines directly. FG throttle valve is used to regulate flow by turning adjustment sleeve. FK throttle check valve is used to control flow in one direction and allow free flow in the opposite.

Technical data:
FK*P Subplate mounting:
FG Drawing:

