Modular Valves
Z2FDS SERIES DOUBLE THROTTLE CHECK VALVES1

Z2FDS series double throttle/check valves are used to restrict flow in one direction while allowing free-flow in the opposite direction as check valves.
Technical data:
Z2FDS 16 Installation Dimensions:
Z2FDS 22 Installation Dimensions:
Z2FDS SERIES DOUBLE THROTTLE CHECK VALVES

Z2FDS series double throttle/check valves are used to restrict flow in one direction while allowing free-flow in the opposite direction as check valves.

Technical data:
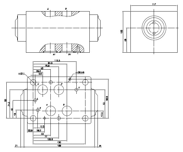
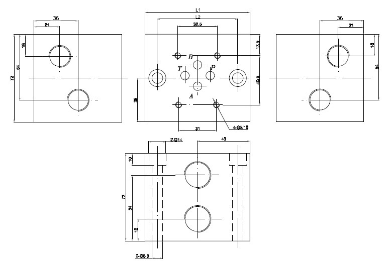
Z2FDS 6 Installation Dimensions:
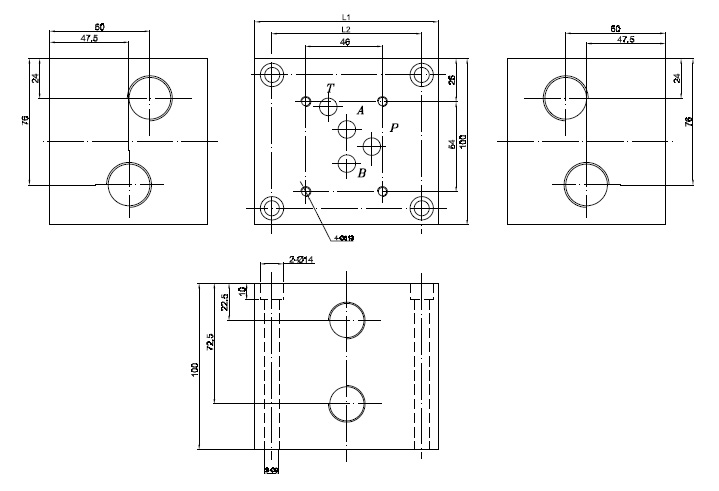
Z2FDS 10 Installation Dimensions:
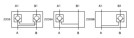
Z2DS SERIES PILOT CONTROLLED CHECK MODULAR VALVES

Z2DS series are pilot operated style sandwich valves. These valces used to close one or two actuator ports.

Technical data:
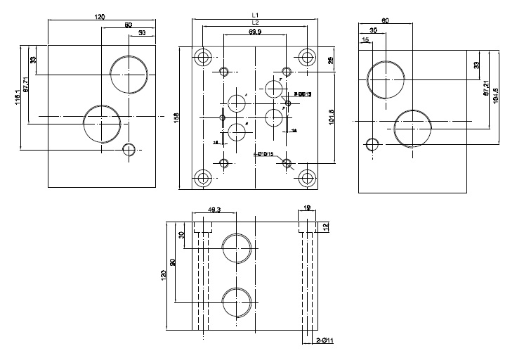
Z2DS 6 Installation Dimensions:
Z2DS 10 Installation Dimensions:
Z2DS 16 Installation Dimensions:
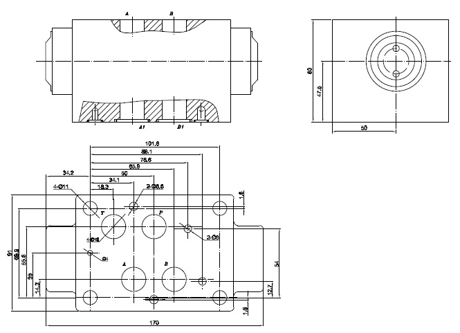
Z2DS 22 Installation Dimensions:
Z1DS SERIES MODULAR CHECK VALVES

Z1DS series are direct operated check valves. 


Technical data:
ZPR-D SERIES DIRECT REDUCING MODULAR VALVES

ZPR-D series are 3-way direct operated pressure reducing valves, which are used to reduce the pressure in a certain circuit lower than of the main circuit.

Technical data:
ZPB/Z2PB SERIES RELIEF MODULAR VALVES

Pressure relief valves of ZPB/Z2PB series are pilot operated style modular valves.

Technical data:
MODULAR VALVES

Modular valves are designed to meet the requirements of modern hydraulic systems, it has the characteristics of variety, rationality, but without pipeline connection. Pressure control modular valves, flow control valves and check valves are widely used in various hydraulic systems. The modular valves equipped with solenoid directional valves and manifolds lessen some devices and save space. As various valves can be mounted or removed easily, addition or change of oil lines can be obtained quickly and conveniently. The hydraulic system composed of modular valves overcomes leakage, vibration and flowing noise. Such valves with orderly and good-looking appearance not only enhance the reliability, but also simplify the maintenance and checking process of hydraulic systems.

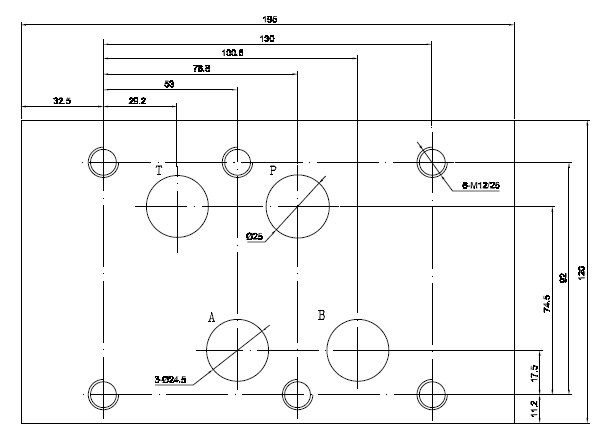
ZVB6 installation Dimensions:
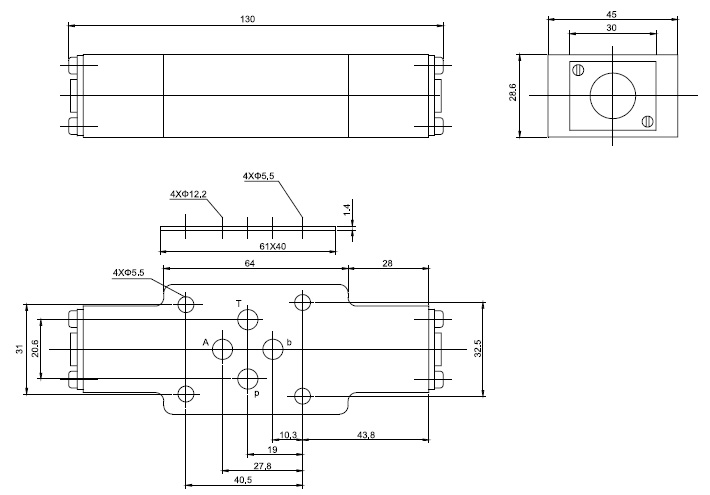
ZVB10 installation Dimensions:
ZVB16 installation Dimensions:

